Регуляторы напряжения однофазные серия RPS12
Регуляторы напряжения однофазные серия RPS12 предназначены для бесступенчатого регулирования напряжения однофазной нагрузки в цепях переменного тока.
Используются для управления мощностью нагрузки резистивного типа: нагревательных элементов, ламп накаливания.
Отличительные особенности регуляторов RPS12
- - Линейная выходная характеристика.
- - Управляющий сигнал: универсальный (ток/напряжение/сопротивление).
- - Тип нагрузки: резистивная.
- - Род тока питающей сети: переменный.
- - Номинальный ток регуляторов в серии: до 75 А.
- - Номинальное напряжение питания нагрузки: 48…380 VAC.
- - Диапазон регулирования напряжения нагрузки: от 10 В до напряжения питающей сети.
Конструктивные особенности однофазных регуляторов серии RPS12
- - Cимисторный выходной силовой элемент — регуляторы с максимальным током до 80 А, тиристорный – регуляторы с максимальным током 100 и более ампер
- - Встроенная шунтирующая выход RC-цепочка защищает регулятор от импульсных помех, возникающих в сети.
- - Изготовлены в стандартном корпусе нового образца, для монтажа на радиаторы охлаждения >>>
ВНИМАНИЕ! Внимание! В связи с наличием внутренней RC-цепи в силовой цепи регулятора даже при минимальном управляющем сигнале либо его отсутствии присутствует ток утечки, который зависит от параметров нагрузки.
При снижении управляющего сигнала до минимума, обрыве или отсутствии управляющего сигнала на выходе ТТР на нагрузке может присутствовать напряжение до 10 VAC.
Технические характеристики регуляторов серии RPS12
Технические характеристики входных цепей
| Параметр | Значение |
|---|---|
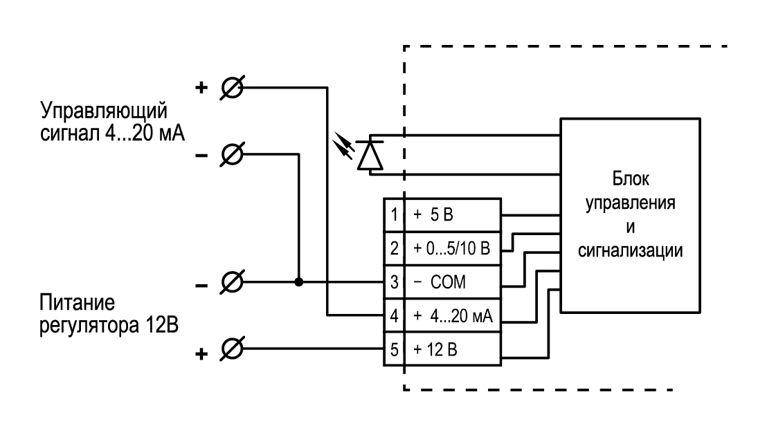
| Тип управляющего сигнала | - Ток: 4…20 мА (входное сопротивление ≤250 Ом) |
| - Напряжение: 0…5 В (входное сопротивление ≥10 кОм) | |
| - Напряжение: 0…10 В (входное сопротивление ≥10 кОм) | |
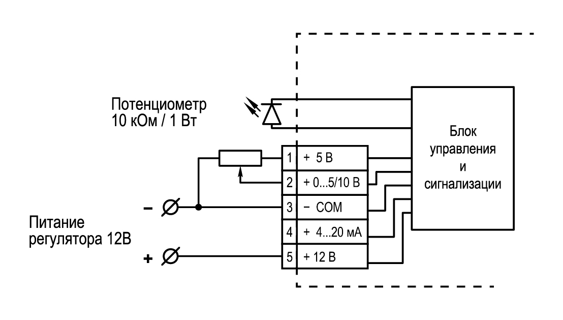
| - Сопротивление: потенциометр 10 кОм / 1 Вт | |
| Дополнительное питание | Требуется питание от внешнего источника 12 В / 0,1 А |
Технические характеристики выходных цепей
| Параметр | Значение | |||||||||
|---|---|---|---|---|---|---|---|---|---|---|
| Модификация | RPS12-1044.VAR | RPS12-1544.VAR | RPS12-2044.VAR | RPS12-2544.VAR | RPS12-3044.VAR | RPS12-4044.VAR | RPS12-6044.VAR | RPS12-8044.VAR | RPS12-10044.VAR | RPS12-12544.VAR |
| Номинальный ток регулятора, А | 6 | 9 | 12 | 15 | 18 | 24 | 36 | 48 | 60 | 75 |
| Тип выходных силовых элементов | Симистор | Тиристор | ||||||||
| Тип питающей сети | однофазная | |||||||||
| Род тока питающей сети | Переменный | |||||||||
| Номинальная частота питающей сети, Гц | 50 | |||||||||
| Метод регулирования | Фазовое управление симистором/тиристором | |||||||||
| Минимальный коммутируемый ток, А | 0,1 | |||||||||
| Диапазон регулирования напряжения | От 10 до напряжения питающей сети | |||||||||
| Максимальное напряжение питающей сети, VAC | 440 | |||||||||
| Номинальное напряжение питания нагрузки, VAC | 48…380 | |||||||||
| Допустимое отклонение выходного напряжения, VAC | ± 5 | |||||||||
| Максимальный импульс тока во включенном состоянии (≤ 10мс), А | 80 | 120 | 160 | 200 | 240 | 320 | 480 | 640 | 800 | 1000 |
| Максимальное пиковое напряжение, VAC | 800 | 1600 | ||||||||
| Ток утечки в закрытом состоянии, мА | ≤ 10 | |||||||||
| Падение напряжения в коммутируемой цепи во включенном состоянии, VAC | ≤ 3 | |||||||||
| Скорость нарастания тока (di/dt), А/мкс | 50 | 120 | ||||||||
| Скорость нарастания напряжения в закрытом состоянии (dV/dt), В/мкс | 500 | 1000 | ||||||||
| I2t (<10 мс), А2с | 90 | 135 | 270 | 335 | 590 | 790 | 2735 | 3645 | 8230 | 10285 |
| Тепловое сопротивление переход – основание (Rthjc), °С/ Вт | 2,21 | 1,89 | 1,57 | 1,25 | 0,93 | 0,85 | 0,67 | 0,52 | 0,39 | 0,34 |
| Максимальная температура p-n перехода (Tjmax), °С | 125 | |||||||||
| Мощность рассеивания (Dissipation), Вт/А | 1,18 | 1,17 | 1,16 | 1,15 | 1,14 | 1,13 | 1,06 | 1,02 | 0,98 | 0,93 |
| Электрическая прочность изоляции, VAC | 2000 | |||||||||
| Сопротивление изоляции, МОм (500 VDC) | 100 | |||||||||
Общие технические характеристики
| Степень защиты | IP20 |
|---|---|
| Температура окружающей среды (эксплуатация), °С | -20…+50 |
| Температура окружающей среды (хранение) , °С | -25…+85 |
| Относительная влажность окружающей среды (эксплуатация, хранение), % | 20…90 |
| Органы индикации | LED-индикатор |
| Встроенные защиты | RC-цепь защиты силового ключа |
| Охлаждение | Воздушное |
| Материал основания | Алюминиевый сплав (модификации 10…80 А) Медный сплав (модификации 100…125 А) |
| Тип монтажа | Крепление винтами на плоскость |
| Масса, г | ≤ 110 (модификации 10…80 А) ≤ 155 (модификации 100…125 А) |
Модификации и номинальные токи регуляторов серии RPS12
| Модификация регулятора | Модификация радиатора KIPPRIBOR серии PTP | Номинальный ток регулятора, А | Максимальная мощность нагрузки, кВт |
|---|---|---|---|
| RPS12-1044.VAR | PTP052 | 6 | 2,3 |
| RPS12-1544.VAR | PTP052 | 9 | 3,4 |
| RPS12-2044.VAR | PTP052 | 12 | 4,5 |
| RPS12-2544.VAR | PTP052 | 15 | 5,6 |
| RPS12-3044.VAR | PTP052 | 18 | 6,8 |
| RPS12-4044.VAR | PTP060 | 24 | 9,0 |
| RPS12-6044.VAR | PTP061.1 | 36 | 13,5 |
| RPS12-8044.VAR | PTP062.1 | 48 | 18,0 |
| RPS12-10044.VAR | PTP063.1 | 60 | 22,5 |
| RPS12-12544.VAR | PTP063.1 | 75 | 28,5 |
Зная мощность нагрузки, выберите ближайшую большую по мощности модификацию регулятора и указанный для этой модификации радиатор.
Внимание!
Рекомендации по величине номинальных токов актуальны только при нормальных условиях эксплуатации:
- - температура окружающего воздуха 23...25°C,
- - номинальное напряжение питания нагрузки,
- - регулятор установлен на рекомендуемой модели радиатора,
- - радиатор оснащен рекомендуемой моделью вентилятора.
Габаритные и установочные размеры регуляторов серии RPS12
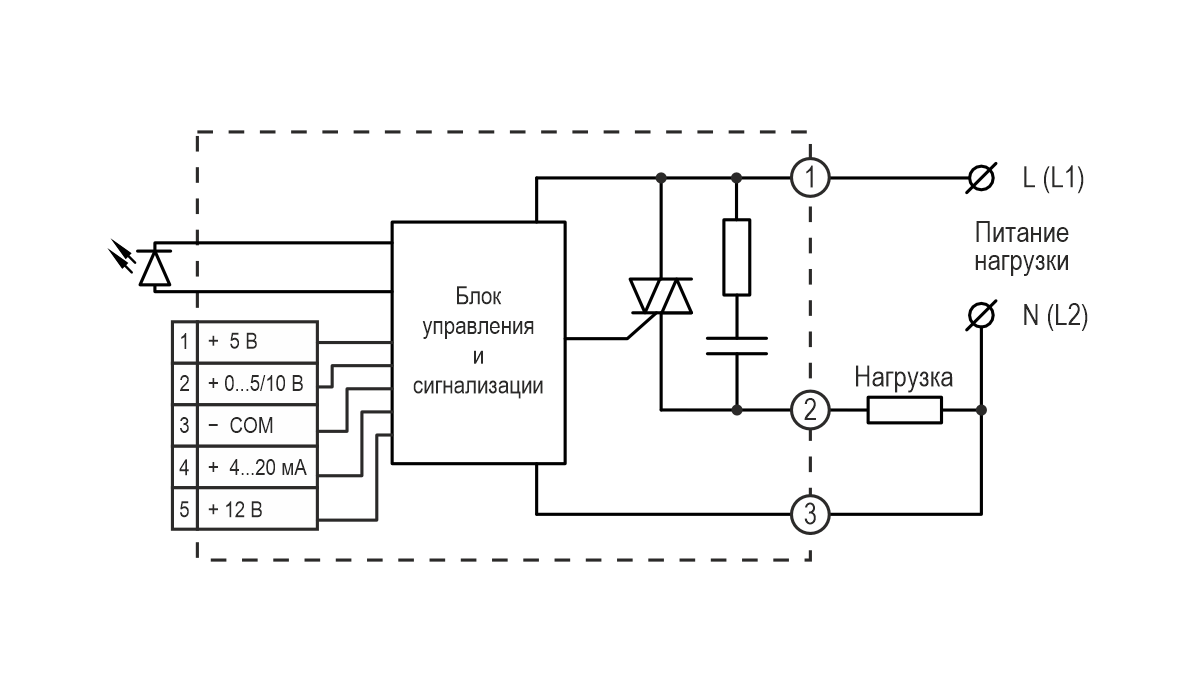
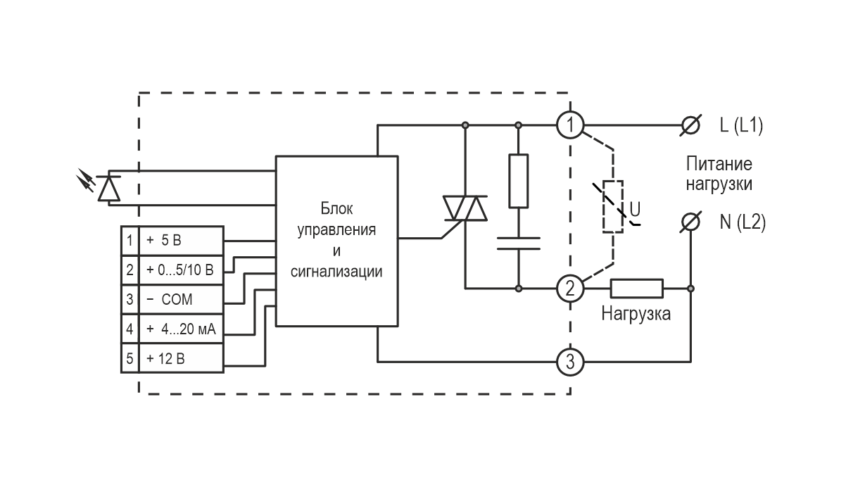
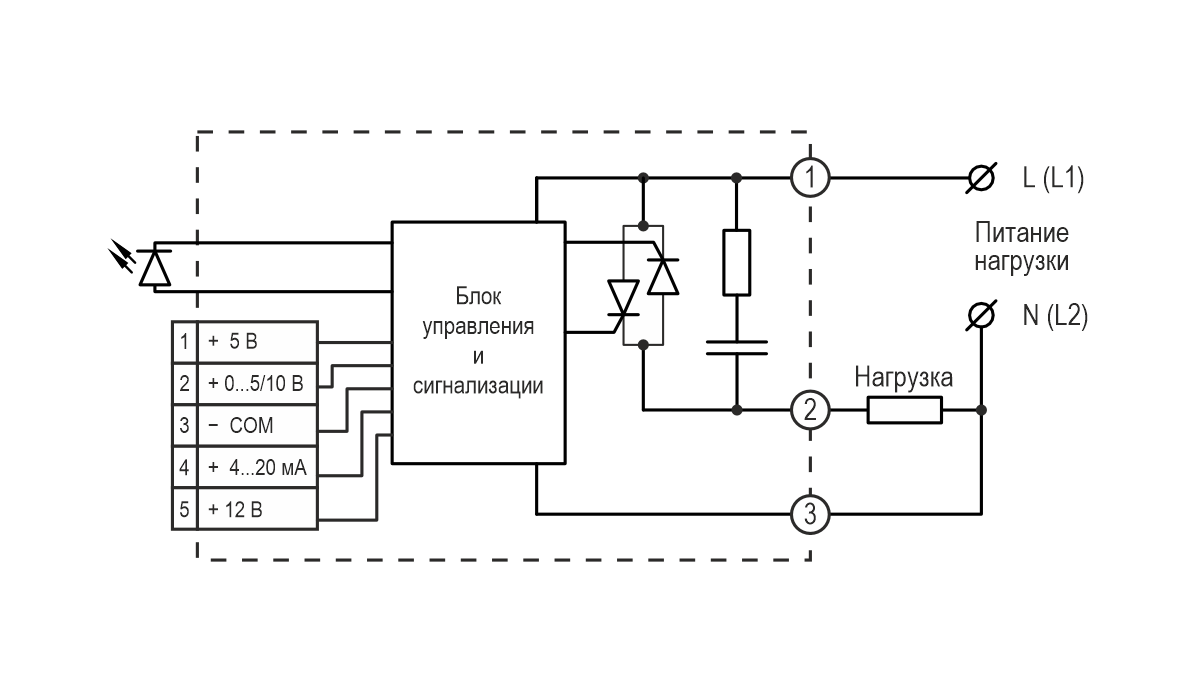
Схемы подключения силовой цепи регуляторов серии RPS12
Схемы подключения цепей управления и внешнего источника питания регуляторов серии RPS12
|
|
| Управляющий сигнал – напряжение 0…5 В | Управляющий сигнал – напряжение 0…10 В |
|
|
| Управляющий сигнал – ток 4…20 мА | Управляющий сигнал – сопротивление (потенциометр 10 кОм/1 Вт) |
Общие рекомендации
- — Для эффективного охлаждения регулятора следует использовать радиатор.
- — Для защиты от высоковольтных импульсных помех рекомендуется подключение варистора.
Обозначение при заказе регуляторов серии RPS12
Например: RPS12-1044.VAR
Вы заказали: регулятор KIPPRIBOR серии RPS12 с максимальным током 10 А, максимальным напряжением питания нагрузки 440 VAC, с универсальным управляющим сигналом.
Рекомендуемые товары
Fotek SSR - твердотельные реле
Твердотельные реле SSR. Однофазные полупроводниковые реле Fotek серии SSR, предназначенные для беско..
KIPPRIBOR HD-xx44.ZD3 / ZA2 [M02]
Твердотельные реле серии KIPPRIBOR HD-xx44.ZD3 [M02] и HD-xx44.ZA2 [M02]. Общепромышленные ТТР в ста..
Autonics SR1
Однофазные твердотельные реле (со съемным радиатором) Autonics SR1 Однофазные твердотельные реле се..
KIPPRIBOR RPS33, RPS34
Регуляторы напряжения трехфазные серии RPS33, RPS34 Серия RPS трехфазное малогабаритное твердотел..



![KIPPRIBOR HD-xx44.ZD3 / ZA2 [M02] KIPPRIBOR HD-xx44.ZD3 / ZA2 [M02]](https://www.pkpdelta.ru/image/cache/catalog/goods/Kippribor/HD-xx44-02-200x200.png)
