Регуляторы напряжения трехфазные серии RPS33, RPS34
Серия RPS трехфазное малогабаритное твердотельное реле ТТР KIPPRIBOR
Регуляторы напряжения KIPPRIBOR серии RPS33, RPS34 предназначены для бесступенчатого регулирования напряжения трехфазной нагрузки резистивного типа в цепях переменного тока.
Используются для управления мощностью нагрузки резистивного типа: нагревательных элементов, ламп накаливания.
Отличительные особенности регуляторов RPS33, RPS34
- - Линейная выходная характеристика.
- - Управляющий сигнал: универсальный (ток/напряжение/сопротивление).
- - Тип нагрузки: резистивная.
- - Род тока питающей сети: переменный.
- - Номинальный ток регуляторов в серии: до 110 А.
- - Номинальное напряжение питания нагрузки: 220/380 VAC.
- - Схема подключения нагрузки: трехпроводная для RPS33, четырехпроводная для RPS34.
- - Диапазон регулирования напряжения нагрузки: от 10 В до напряжения питающей сети.
Конструктивные особенности трехфазных регуляторов серии RPS33, RPS34
- - Cимисторный выходной силовой элемент — регуляторы с максимальным током до 40 А, тиристорный – регуляторы с максимальным током 75 и более ампер.
- - Встроенная шунтирующая выход RC-цепочка защищает регулятор от импульсных помех, возникающих в сети.
- - Клеммник с винтовыми зажимами для подключения дополнительного питания и управляющих сигналов.
- - Изготовлены в стандартном корпусе нового образца, для монтажа на радиаторы охлаждения >>>
ВНИМАНИЕ! В связи с наличием внутренней RC-цепи в силовой цепи регулятора даже при минимальном управляющем сигнале либо его отсутствии присутствует ток утечки, который зависит от параметров нагрузки.
При снижении управляющего сигнала до минимума, обрыве или отсутствии управляющего сигнала на выходе ТТР на нагрузке может присутствовать напряжение до 10 VAC.
Технические характеристики регуляторов серий RPS33, RPS34
Технические характеристики входных цепей
| Параметр | Значение |
|---|---|
| Тип управляющего сигнала |
- Ток: 4…20 мА (входное сопротивление ≤250 Ом) - Напряжение: 0…5 В (входное сопротивление ≥10 кОм) - Напряжение: 0…10 В (входное сопротивление ≥10 кОм) - Сопротивление: потенциометр 10 кОм / 1 Вт |
| Дополнительное питание | - Требуется питание от внешнего источника 220 В / 0,01 А переменного тока |
Технические характеристики выходных цепей
| Параметр | Значение | |||||||
|---|---|---|---|---|---|---|---|---|
| Модификация | RPS33-2544.VAR RPS34-2524.VAR |
RPS33-4044.VAR RPS34-2540.VAR |
RPS33-7544.VAR RPS34-7524.VAR |
RPS33-10044.VAR RPS34-10024.VAR |
RPS33-12544.VAR RPS34-12524.VAR |
RPS33-15044.VAR RPS34-15024.VAR |
RPS33-18044.VAR RPS34-18024.VAR |
|
| Номинальный ток регулятора, А | 15 | 24 | 45 | 60 | 75 | 90 | 110 | |
| Тип выходных силовых элементов | Симистор | Тиристор | ||||||
| Тип питающей сети | Трехфазная | |||||||
| Род тока питающей сети | Переменный | |||||||
| Номинальная частота питающей сети, Гц | 50 | |||||||
| Метод регулирования | Фазовое управление симистором/тиристором | |||||||
| Минимальный коммутируемый ток, А | 0,1 | |||||||
| Диапазон регулирования напряжения | От 10 до напряжения питающей сети | |||||||
| Максимальное напряжение питающей сети, VAC | 440 | |||||||
| Номинальное напряжение питания нагрузки, VAC | 220/380 | |||||||
| Допустимое отклонение выходного напряжения, VAC | ± 5 | |||||||
| Максимальный импульс тока во включенном состоянии (≤ 10мс), А | 200 | 320 | 600 | 800 | 1000 | 1200 | 1440 | |
| Максимальное пиковое напряжение, VAC | 800 | 1600 | ||||||
| Ток утечки в закрытом состоянии, мА | ≤ 10 | |||||||
| Падение напряжения в коммутируемой цепи во включенном состоянии, VAC | ≤ 3 | |||||||
| Скорость нарастания тока (di/dt), А/мкс | 50 | 120 | ||||||
| Скорость нарастания напряжения в закрытом состоянии (dV/dt), В/мкс | 500 | 1000 | ||||||
| I2t (<10 мс), А2с\ | 280 | 1180 | 6170 | 8230 | 10285 | 14880 | 17860 | |
| Тепловое сопротивление переход – основание (Rthjc), °С/ Вт | 1,27 | 1,15 | 0,67 | 0,41 | 0,32 | 0,27 | 0,2 | |
| Максимальная температура p-n перехода (Tjmax), °С | 125 | |||||||
| Мощность рассеивания (Dissipation), Вт/А | 3*1,15 | 3*1,13 | 3*1,04 | 3*0,98 | 3*0,93 | 3*0,88 | 3*0,83 | |
| Электрическая прочность изоляции, VAC | 2000 | |||||||
| Сопротивление изоляции, МОм (500 VDC) | 100 | |||||||
Общие технические характеристики
| Параметр | Значение |
|---|---|
| Степень защиты | IP20 |
| Температура окружающей среды (эксплуатация), °С | -20…+50 |
| Температура окружающей среды (хранение) , °С | -25…+85 |
| Относительная влажность окружающей среды (эксплуатация, хранение), % | 20…90 |
| Органы индикации | LED-индикаторы «Вкл.», «Выход», «Авария» |
| Встроенные защиты | - RC-цепь защиты силового ключа - Защита от перегрева (температура срабатывания встроенного датчика 90°С) |
| Охлаждение | Воздушное |
| Материал основания | Алюминиевый сплав (модификации 25…40 А) Медный сплав (модификации 75…180 А) |
| Тип монтажа | Крепление винтами на плоскость |
| Масса, г | ≤ 440 (модификации 25 …40 А) ≤ 580 (модификации 75…180 А) |
Модификации и номинальные токи регуляторов серий RPS33, RPS34
| Модификация регулятора | Модификация радиатора KIPPRIBOR серии PTP | Номинальный ток регулятора, А | Максимальная мощность нагрузки, кВт |
|---|---|---|---|
| RPS34-2524.VAR, RPS33-2544.VAR | PTP034 | 15 | 9,8 |
| RPS34-4024.VAR, RPS33-4044.VAR | PTP036 | 24 | 16 |
| RPS34-7524.VAR, RPS33-7544.VAR | PTP037 | 45 | 29 |
| RPS34-10024.VAR, RPS33-10044.VAR | PTP038 | 60 | 38 |
| RPS34-12524.VAR, RPS33-12544.VAR | PTP039 | 75 | 48 |
| RPS34-15024.VAR, RPS33-15044.VAR | PTP038 с вентилятором KIPPRIBOR VENT-12038.220VAC.5MSHB | 90 | 58 |
| RPS34-18024.VAR, RPS33-18044.VAR | PTP038 с вентилятором KIPPRIBOR VENT-12038.220VAC.5MSHB | 110 | 72 |
Зная мощность нагрузки, выберите ближайшую большую по мощности модификацию регулятора и указанный для этой модификации радиатор.
Внимание!
Рекомендации по величине номинальных токов актуальны только при нормальных условиях эксплуатации:
- - температура окружающего воздуха 23...25°C;
- - номинальное напряжение питания нагрузки;
- - регулятор установлен на рекомендуемой модели радиатора;
- - радиатор оснащен рекомендуемой моделью вентилятора.
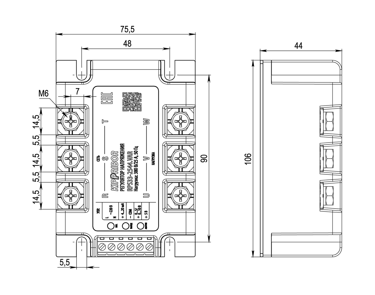
Габаритные и установочные размеры регуляторов серии RPS33, RPS34
| Размер резьбы | Момент затяжки, Н*м |
|---|---|
| M3 | 0.4 |
| M6 | 2.5 |
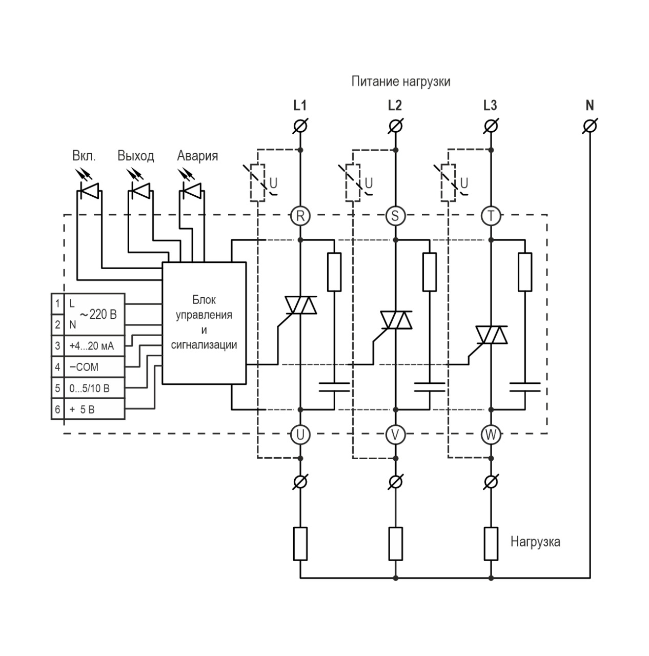
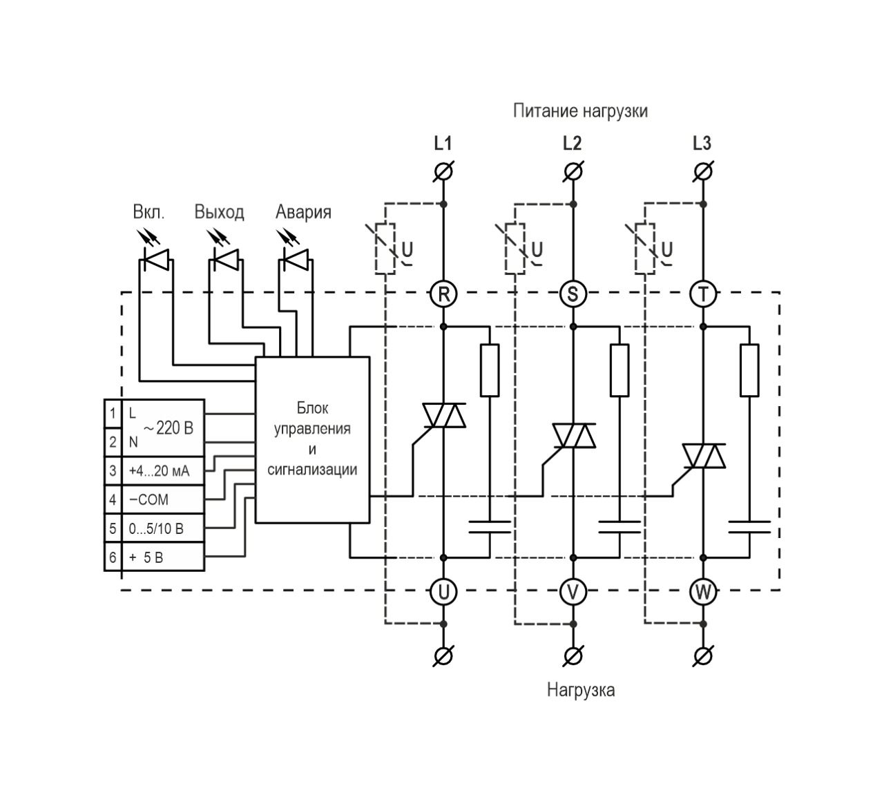
Схемы подключения силовых цепей регуляторов RPS33, RPS34
Внимание!
Для регуляторов серии RPS33 не допускается подключение нейтрали к нагрузке при соединении по схеме звезда.
*Схемы подключения приведены на примере модификаций с силовым ключом на базе симистора.
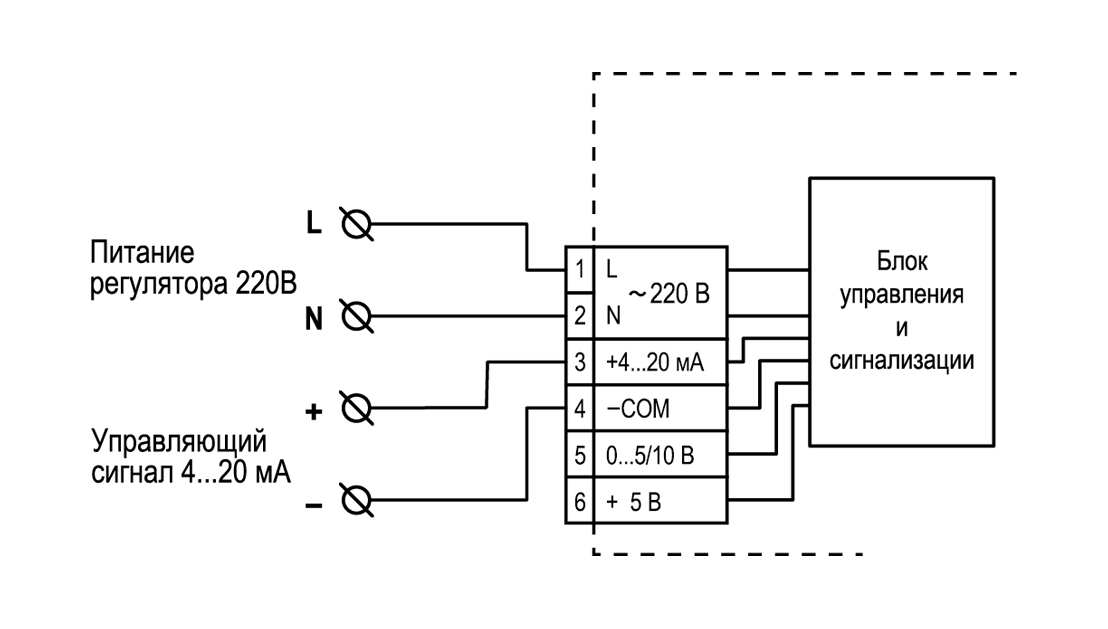
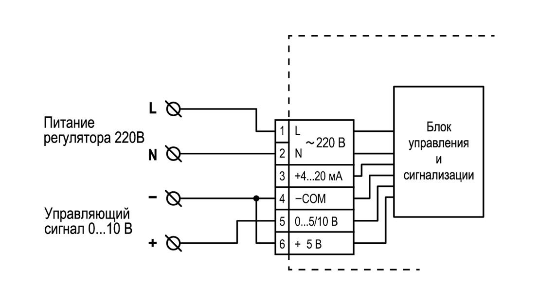
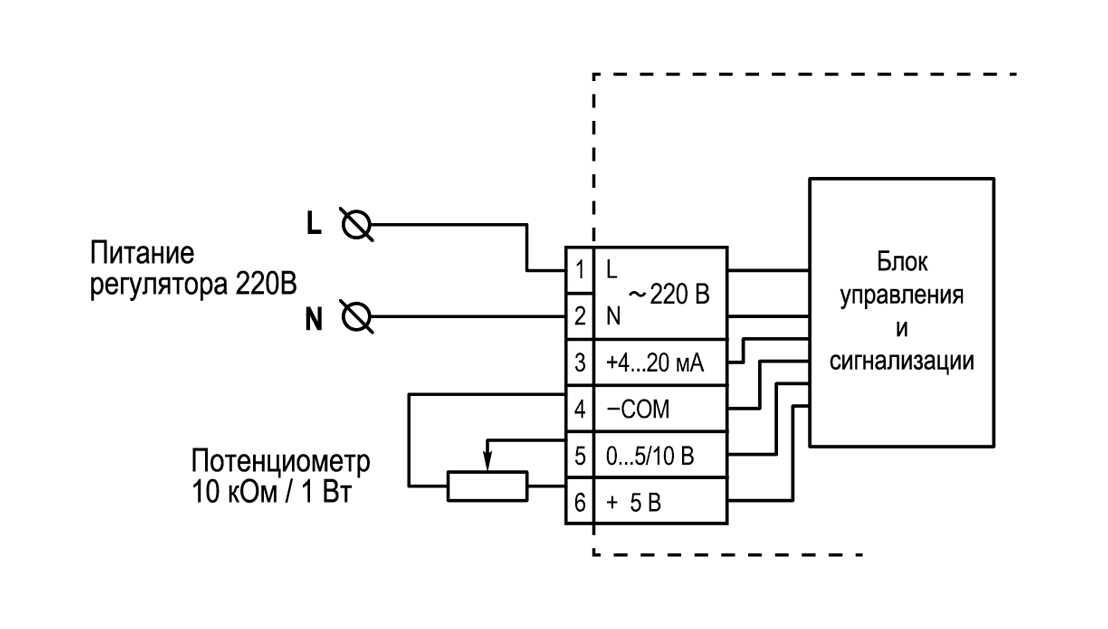
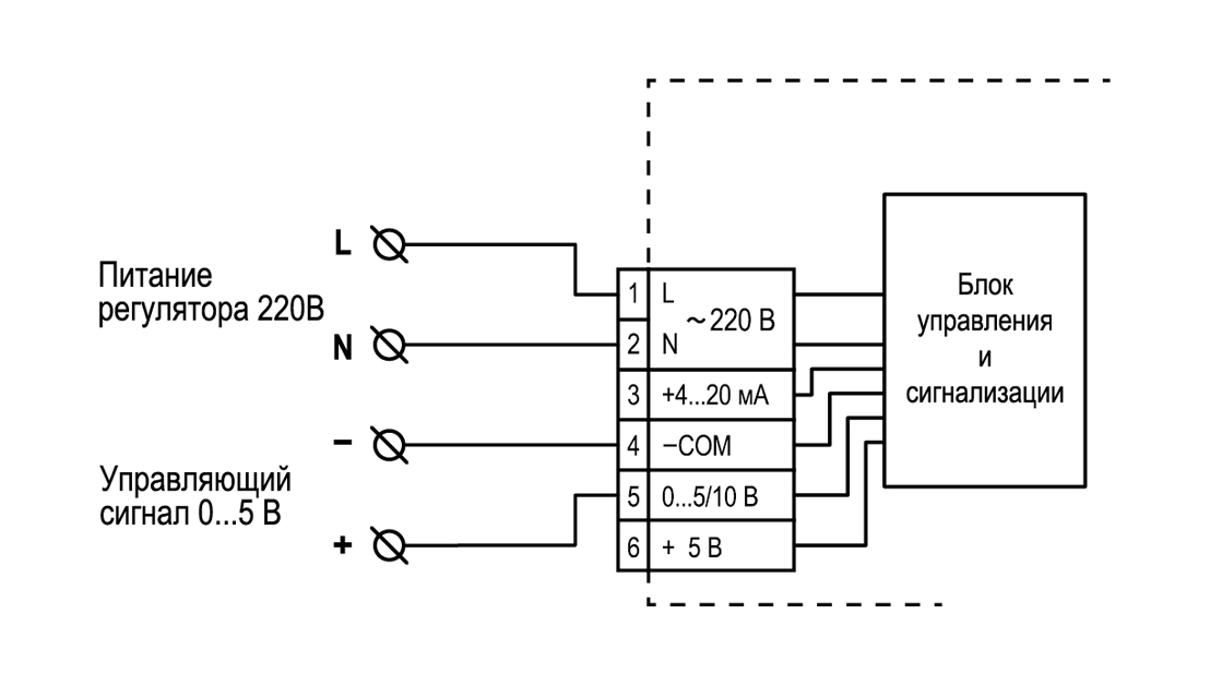
Схемы подключения цепей управления и внешнего источника питания регуляторов серий RPS33, RPS34
Внимание!
При подключении внешнего дополнительного питания к регуляторам RPS34-xx24.VAR следует соблюдать фазировку. При неправильной фазировке питания регулятор находится в состоянии аварии.
Общие рекомендации
- — Для эффективного охлаждения регулятора следует использовать радиатор.
- — При установке на радиатор использовать термопасту.
- — Для защиты от высоковольтных импульсных помех рекомендуется подключение варисторов в каждой фазе регулятора.
Обозначение при заказе регуляторов серии RPS33, RPS34
Например: RPS33-2544.VAR
Вы заказали: регулятор KIPPRIBOR серии RPS33 с максимальным током 25 А, максимальным напряжением питания 440 VAC, с универсальным управляющим сигналом.
Рекомендуемые товары
Fotek SSR - твердотельные реле
Твердотельные реле SSR. Однофазные полупроводниковые реле Fotek серии SSR, предназначенные для беско..
KIPPRIBOR HT-xx44.ZD3 / ZA2 [M02]
Трехфазные твердотельные реле серии KIPPRIBOR HT-xx44.ZD3 [M02] и HT-xx44.ZA2 [M02] для резистивной ..
Autonics SRH2/SRH3
Трехфазные твердотельные реле серии SRH2/SRH3 (встроенный тип радиатора) Трехфазные твердотельные ..
KIPPRIBOR RPS12
Регуляторы напряжения однофазные серия RPS12 Регуляторы напряжения однофазные серия RPS12 пред..






![KIPPRIBOR HT-xx44.ZD3 / ZA2 [M02] KIPPRIBOR HT-xx44.ZD3 / ZA2 [M02]](https://www.pkpdelta.ru/image/cache/catalog/goods/Kippribor/HT-xx44-02-200x200.png)

